|
전압 |
교류 380V |
|
최대 유량 |
7m³/시 |
|
맥스 헤드 |
30분 |
|
기음 의사소통 |
PWM |
|
힘 |
1000W |
|
IP 클래스 |
IP67 |
|
커넥터 |
척 |
항목 번호.:
EPS25-30NC고급 유압 설계: 3D 임펠러와 유압 시뮬레이션 기술을 사용하여 최적의 흐름과 압력 제어를 위해 설계되었습니다.
습식 로터 시스템: 최소한의 마모와 에너지 손실로 조용하고 효율적인 작동을 보장합니다.
에너지 효율성: 고효율 시뮬레이션을 적용한 맞춤형 모터는 뛰어난 성능과 낮은 전력 소비를 제공합니다.
긴 서비스 수명: 기계적 밀봉이 없어 유지 보수가 필요 없는 설계로 누출이 없고 펌프 수명 동안 가동 중지 시간이 줄어듭니다.
현대 미학: 고전적인 색상 구성으로 이루어진 차세대 가족형 디자인 - 고성능과 세련된 산업적 스타일이 조화를 이룹니다.
미디어 요구 사항
|
매체: 물 또는 물 + 글리콜(≤ 50%) 혼합물 |
중간온도 : -40℃~65℃ |
|
배지의 pH 값 : 6.5-8.5 |
중경도 :25°dH |
|
매체 중 고체 불순물 함량: 고체 불순물의 직경 및 길이 방향 ≤ 0.1mm, 부피 비율 ≤ 0.1%. |
|
서비스 환경 요구 사항
|
사용법: 샤프트를 수평으로 유지하세요 |
고도: ≤ 2000m |
|
작동 주변 온도: -40 ℃ ∼ 7 0 ℃ (파이프라인과 워터펌프에 동결이 없습니다) |
작동 주변 습도 ≤95% |
보관 환경 요구 사항
|
보관 주변 온도: -40℃ ∼70℃ (파이프라인과 워터펌프에 동결이 없습니다) |
보관 환경의 습도: ≤95% |
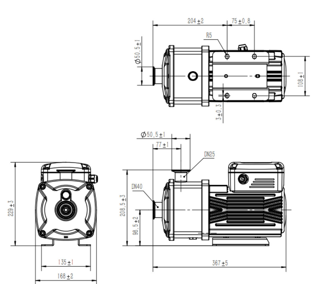
설치 도면

